User Tools

Site Tools


electrical:12v:relay

This is an old revision of the document!


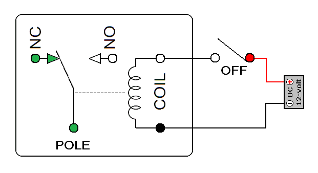
Electrical relay

Relays provide heavier duty switching (on/off) when it is impractical to switch directly.

electrical/12v/relay.1508930720.txt.gz · Last modified: 2025/12/24 22:42 (external edit)